

Product Introduction:
The shell is made of QT500-7, which
undergoes aging treatment and is precisely processed into shape. It
features high rigidity, high precision and long service life. Allow
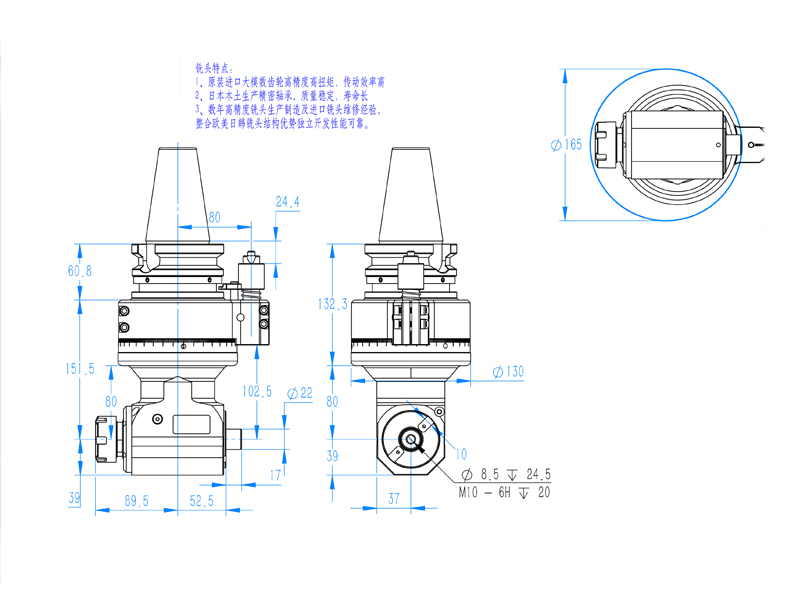
passage through фD165
2. The main drive shaft is made of special alloy
materials, processed through strict heat treatment techniques, and
finally precisely ground into shape to achieve high stability in
transmission.
3. All gear bearings are imported in their original form, ensuring high torque and low noise during transmission.
4.
The input and output forms are diverse and flexible, not limited to BT
or ER interfaces, which can meet the needs of various precision
processing equipment and be used in multiple processes such as milling,
drilling, tapping, and grinding.
It offers you an additional option for the processing methods of your machine tool
◎ Specification and Model: DK90-BT50-ER32-D50 Angle heads
Cono Shank: BT50
Other Cono Shank: Can Be Used
Max.RPM: 4000 rpm
◎ Spindle rotation direction: ER collet end CW-CW / FMB22 CCW-CW
◎ Transmission ratio: 1:1
◎ Passing diameter: D165
◎ Clamping range: D1-D20/FMB22-D50
◎ Range of attack: M6-M16
Peak torque: 65. Nm
◎ Milling head weight: 15 kg
◎ Inventory status: 5 days
◎ Non-standard customization: Supported


